Instal·lacions de l’habitatge
1. Instal·lacions característiques d'un habitatge.
1.2. Instal·lació d'aigua sanitària
El subministrament d’aigua potable és un dels principals perquè una ciutat pugui funcionar com a tal. En el temps dels romans, era la principal, si no hi havia aigua, no hi havia ciutat i de fet l’aigua la feien arribar a través dels aqüeductes, les primeres grans obres d’enginyeria hidràulica.
Una gran ciutat necessitaria de 250 a 300 l/hab. i dia. Multipliqueu pel nombre d’habitants (5600 milions) de Barcelona ... Això dona una barbaritat de litres al dia (168000 milions de litres dia).
Els que dissenyen la xarxa de subministrament d’aigua han de tenir en compte: la pressió mínima, el tipus de consum i la simultaneïtat en la utilització.
La pressió que hem de tenir per alimentar un punt de consum des de l’escomesa del nostre edifici es calcula utilitzant la fórmula:
P = 1,2 · H + 10 m.c.a H és l’alçada on volem arribar.
La pressió a una aixeta normal hauria de ser de 5 m.c.a i de 7 m.c.a per a un fluxor. La velocitat de l’aigua per dintre de la canonada no ha de superar els 2 m/s per evitar sorolls.
Quins elements formen la instal·lació interior general?
Des de l’escomesa entra una canonada a l’edifici que es distribueix en: distribuïdors, columnes o muntants, derivacions i ramals.
* Distribuïdors: Canonada horitzontal que uneix el comptador general o clau de pas fins al peu de les columnes. La distribució es fa a partir de la bateria de comptadors situada a la planta baixa de l’edifici.
* Columnes o muntants: És la canonada que surt després del comptador i porta l’aigua fins a l’alçada de l’usuari fins a una vàlvula de pas. La canonada se subjecta mitjançant brides a la paret vertical de l’edifici o a través de calaixos de registre.
* Derivacions: Són les canonades que parteixen en horitzontal de les columnes i subministren l’aigua a l’abonat, poden anar encastades o amb un calaix de registre o bé sota el forjat. Aquestes derivacions han d’estar situades a un nivell superior als dels sanitaris i des d’aquí distribuir pels ramals de forma descendent fins a les aixetes dels sanitaris. Al principi d’aquesta es disposa, almenys, d’una clau de pas.
* Ramals: Són les canonades que connecten la derivació amb cadascuna de les aixetes.
Com és el circuit interior?
Hi ha una sèrie de consells que cal tenir en compte, si dissenyem o si només mantenim la nostra instal·lació:
a- A l’entrada de cada element de la instal·lació caldrà disposar d’una clau de pas.
b- El ramal se subjectarà de forma que no tingui una flexió superior a 2 mm.
c- No s’ha de recolzar cap component que porti electricitat.
d- Cal instal·lar vàlvules de retenció per evitar el retorn d’aigua usada o escalfada.
e- Els sorolls produïts pel pas de l’aigua es produeixen per tenir una velocitat alta en la canonada i per tenir les aixetes mig obertes, per això és aconsellable reduir la pressió a l’entrada de la instal·lació amb una vàlvula limitadora de pressió.
Podem classificar els sistemes de distribució segons sigui per molts o pocs usuaris:
|
Font: Dibuixat per Eloy Muñoz |
1- Sistema de conduccions separades. Aquest independitza cada subministrament amb una canonada única. Té l’avantatge de ser poc sensible a les variacions de pressió produïdes per variacions en el consum. L’inconvenient és que té un preu elevat perquè utilitza peces de fontaneria especial.
|
|
Font: Dibuixat per Eloy Muñoz |
2- Sistema de conduccions col·lectives. És la més econòmica, però disminueix la pressió en tots els punts quan s’utilitza un qualsevol. |
També podem classificar la distribució segons la seva forma: en anell o en xarxa.
1- Sistema en anell. Es fa en edificis on s’ha de mantenir un subministrament amb un elevat nivell de seguretat. Ens permet sectoritzar i tallar per trams el subministro. Aquest tipus d’instal·lació se sol fer en edificis sanitaris, residencials i públics.
2- Sistema en xarxa. S’utilitza als habitatges. És el més econòmic i funcionarà correctament sempre que hi hagi suficient pressió i estiguin ben dimensionats els cabals. Aquest sistema comença en una canonada d’entrada que subministra a tot l’habitatge i que després d’una vàlvula de pas parteixen tots els ramals a les aixetes dels aparells o sanitaris. Si es vol arreglar qualsevol aparell o part, cal que tanquen la clau de pas de tot el pis.Font: Dibuixat per Eloy Muñoz
Un altre tipus de classificació de les instal·lacions d’aigua és considerant com s’efectua el subministrament: ascendent o descendent.
1- Instal·lació ascendent. Aquesta no és la més aconsellable, però com que és la més econòmica és la que més s’utilitza. Consta d’un dipòsit que abasteix la xarxa i amb l’ajuda d’un equip de bombeig subministra aigua als habitatges per sobre d’ell. Un desavantatge gran és quedar-se sense electricitat perquè això farà que l’edifici no tingui aigua.
|
Font: Dibuixat per Eloy Muñoz |
|
Imatge 1 – Sistema de distribució d’aigua ascendent amb comptadors centralitzats. |
Aquesta opció té dues modalitats, una que centralitza els comptadors en planta baixa i l’altre que disposa d’un muntant general i un comptador en cada planta.
Les plantes superiors depenen del consum de les plantes inferiors i a les hores de màxim consum es poden trobar sense pressió, així que es necessiten reguladors de pressió i equips de suport.
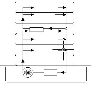
Del tipus ascendent podem trobar-nos amb tres tipus: instal·lació unitària, partida i dividida.
a) Instal·lació unitària: A la planta baixa s’instal·la un dipòsit trencador de pressió, a partir del qual es bombeja a les plantes superiors per un muntant ascendent i el sobrant torna a caure al dipòsit.
b) Instal·lació partida: Es realitza a edificis de gran altura. Es disposa de tants dipòsits trencadors de pressió com mòduls partits necessitem. Cada part s’abasteix del seu dipòsit i puja l’aigua bombejada pel seu muntant ascendent.
c) Instal·lació dividida: Cada nombre determinat de plantes se situen dipòsits i mitjançant grups de bombeig més petits s’abasteixen les plantes superiors i el dipòsit corresponent. Aquest sistema s’utilitza per edificis d’altura considerable i per evitar instal·lar grans grups de bombeig.
|
|
|
|
|
Imatge 2 – Instal·lació unitària d’aigua |
Imatge 3 – Instal·lació partida d’aigua. |
Imatge 4 – Instal·lació dividida d’aigua. |
Font: Dibuixat per Eloy Muñoz
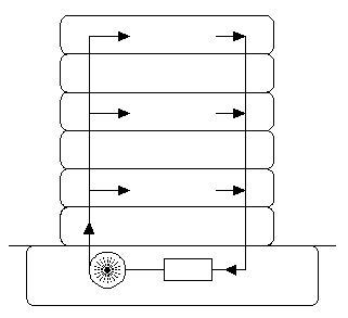
2- Instal·lació descendent. L’aigua es distribueix de dalt cap a baix. Aquest sistema és molt silenciós i permet mantenir una pressió uniforme del valor corresponent a l’alçada del dipòsit. El dipòsit té un sistema de boia o flotador, per parar d’omplir i un sobreeixidor.
|
|
|
Imatge 5 – Sistema de distribució d’aigua descendent. Font: Dibuixat per Eloy Muñoz |
Instal·lació d’aigua calenta.
L’aigua freda arriba a l’escalfador que escalfa la canonada cremant gas. A partir d’aquí surt un nou circuit que distribueix l’aigua als elements de la instal·lació. Necessitem l’aigua calenta a la cuina i als lavabos. La temperatura de l’aigua calenta no pot superar els 40 oC quan surt d’una aixeta.
Mirar l'enllaç de la instal·lació.
Instal·lació d’aigua calenta i freda en cuina i bany
A continuació es mostra un exemple d'instal·lació d’aigua en una planta pis d’un habitatge.
Els components de la instal·lació.
Canonades d’aigua.
El material més utilitzat fins fa gairebé poc per les conduccions d’aigua era el Plom. EL principal avantatge era la seva facilitat en la manipulació. Ara és un material prohibit, ja que l’òxid de plom presenta molta toxicitat i plom en si mateix és un metall pensant que el nostre cos no és capaç d’expulsar, per tant es va acumulant.
La composició de l’aigua fa que alguns materials siguin incompatibles, per exemple l’acer galvanitzat és incompatible amb les aigües dures i coure amb les aigües amoniacals, per tant no l’instal·larem al desguàs d’un vàter.
Canonades de coure: Són les més utilitzades, estan formades per coure desoxidat al fòsfor i es troben de dos tipus, dur i recuit. La canonada de coure dur no té tractament tèrmic i la seva rigidesa l’adquireix per estirament en fred. La recuita s’ha escalfat fins a 500 oC i refredat de cop, així s’aconsegueix un material més mal·leable.
Les unions d’aquests conductes es fan per soldadura capil·lar mitjançant ràcords de compressió.
Ràcords de compressió: Són accessoris que no es poden modificar i la unió es produeix per compressió gràcies a la femella que es rosca al tub. No es recomana si aquesta va encastada.Font: pxHere.com
Soldadura
capil·lar: S’utilitzen maneguets prefabricats que s’uneixen mitjançant soldadura en
estat líquid que enganxa per les folgances entre tub i maneguet.
Font: pxHere.com
Canonades d’acer: L’acer més utilitzat en fontaneria és l'acer galvanitzat. Els tubs s’uneixen amb unions roscades protegides amb tefló. Aguanta pressions de 15 kg/cm2, i no s’aconsella instal·lar amb canonades de coure, ja que es produeix el fenomen d’oxidació corrosió en formar-se una pila elemental.
Canonades de plàstic: El material més utilitzat és el PVC (clorur de polivinil) i substitueix als tubs metàl·lics per les seves propietats anticorrosives, aïllants i més lleuger. Les unions són encolades.
Un altre plàstic que s’utilitza és el PE (polietilè), més resistent i es pot unir utilitzant terminacions roscades, encolades o soldades si els diàmetres són grans.
Un desavantatge important d’aquests plàstics és que la temperatura no es recomana que sigui més alta que 87 oC. A la imatge podem observar la combinació de diferents materials; acer, coure, plàstic i una canonada de coure al darrere.
Font: pxHere.com
Vàlvules
Les vàlvules s’utilitzen en la instal·lació per a aïllar una línia i poder fer una reparació, com a reguladores de cabal, per obligar a circular a l’aigua en un sol sentit, per protegir a la canonada de sobre pressions degudes a l’augment de temperatura, per regular la pressió i mantenir-la constant, per poder eliminar l’aire d’un tram de canonada, etc.
L’equivalent elèctric seria un interruptor.
Clau de pas
És una vàlvula d’esfera flotant que també s’anomena “tot o res”. Consisteix en una esfera foradada que quan coincideix amb el cilindre de la canonada deixa passar l’aigua i quan aquest cilindre queda perpendicular llavors tanca el pas. El tancament el fa perquè l’esfera queda pressionada sobre unes juntes de plàstic. La instal·lació d’aquesta acostuma a ser a l’entrada del nostre habitatge.Font: feca.cat
Font: Dibuixat per Eloy Muñoz
Vàlvula de retenció o antiretorn
Evita el retorn de l’aigua dintre d’una canonada, és a dir, només hi ha un sentit de circulació. Consta d’una comporta interior articulada que es tanca per pressió si l’aigua intenta retornar.Font: Viquipèdia
Font: Dibuixat per Eloy Muñoz
A la següent imatge podem veure un dels usos de la vàlvula anti retorn, per evitar que hi hagi un reflux d’aigües grises i negres.
Font: Chronos
|
Vàlvula de seguretat
Protegeix un dipòsit, una canonada o un sistema de bombeig gràcies al fet que deixa sortir aigua quan la pressió puja de forma inesperada.
La molla pressiona l’obturador i es manté tancada a la pressió de funcionament, fins que aquesta puja inesperadament, obre i iguala la pressió de la canonada a la pressió atmosfèrica. |
|
Vàlvula reductora. Font: Dibuixat per Eloy Muñoz
Redueix la pressió aigües avall segons la graduem. Pot ser necessària en instal·lacions on la pressió d’aigua tingui oscil·lacions a causa del consum.
Font: tuandco.com